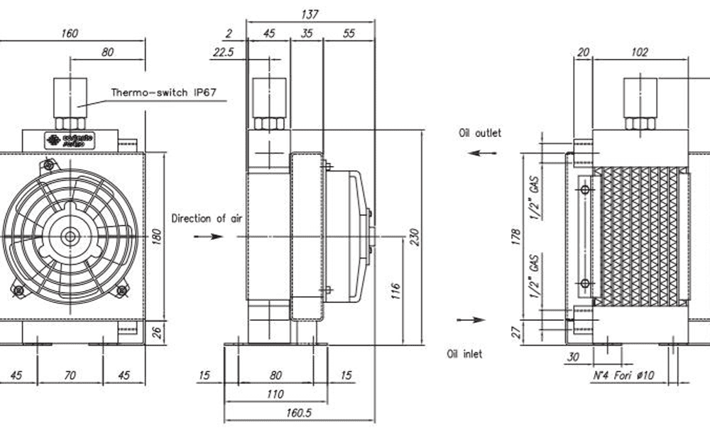
INTERCAMBIADOR CALOR AP 300 /2 E

INTERCAMBIADOR CALOR AP 300 /2 E

Intercambiador de calor aire-aceite modelo AP 300/2 E, diseñado para la refrigeracion de circuitos oleohidraulicos industriales. Compatible con caudales de aceite de 20 a 160 L/min y disponible en versiones de 230V y 400V. Equipado con electroventilador de 250 mm de diametro que proporciona un flujo de aire de 1.300 m3/h para una disipacion termica eficiente. Capacidad de deposito de 3,6 litros y peso entre 12-17 kg segun version. Ideal para sistemas hidraulicos de maquinaria industrial, estaciones de bombeo y equipos de lubricacion. Amplio stock y asesoramiento tecnico especializado.

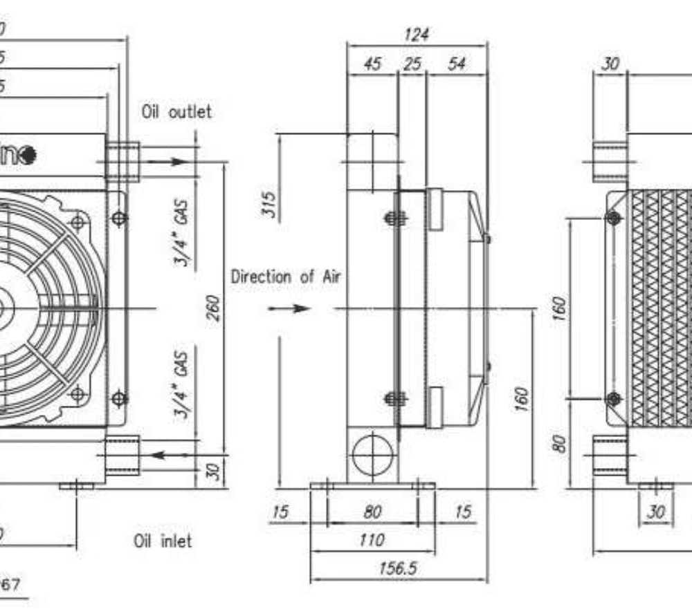
INTERCAMBIADOR CALOR AP 300 E

INTERCAMBIADOR CALOR AP 300 E

El intercambiador de calor AP 300 E es un refrigerador de aceite de alto rendimiento diseñado para circuitos hidráulicos y sistemas de lubricación industriales. Funciona mediante ventilación forzada para disipar el calor del aceite hacia el aire ambiente. Disponible en versiones de 230V y 400V, acepta caudales de aceite entre 10 y 80 litros por minuto, con capacidad de depósito de 2 litros y flujo de aire hasta 950 m³/h. Diámetro de 250 mm y peso de 12 kg. Ideal para aplicaciones donde el espacio es limitado y se requiere refrigeración eficiente del aceite. Amplio stock de repuestos y electroventiladores de recambio.

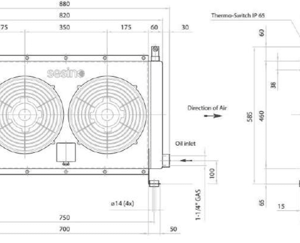
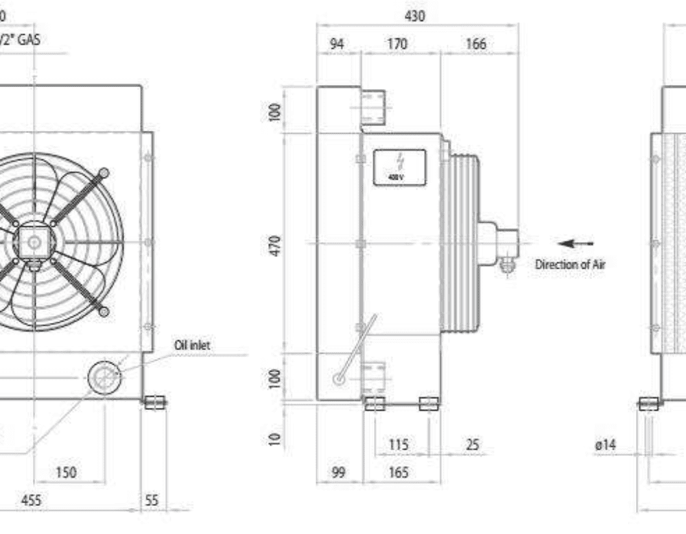
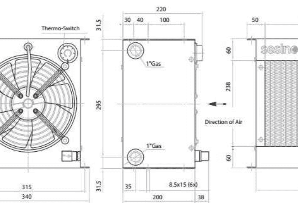
INTERCAMBIADOR CALOR AP 430 E

INTERCAMBIADOR CALOR AP 430 E

El intercambiador de calor AP 430 E es una unidad de refrigeración aceite-aire diseñada para circuitos hidráulicos industriales. Equipado con electroventilador axial de alto rendimiento, proporciona disipación térmica eficiente para aceites hidráulicos. Compatible con voltaje 230V y 400V, acepta caudales de aceite entre 30 y 180 litros por minuto. Construido para instalación en depósitos o líneas hidráulicas, garantiza funcionamiento fiable en aplicaciones oleohidráicas de potencia media. Diámetro de 350 mm y flujo de aire de 2.750 m³/h.

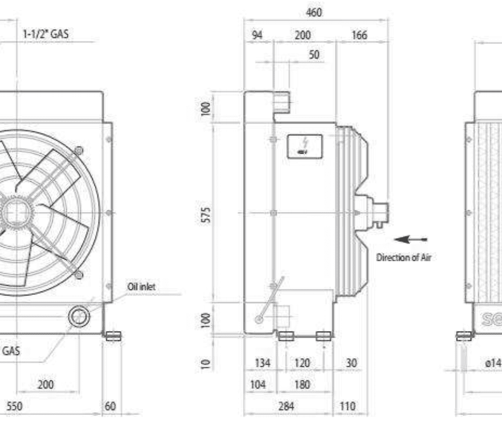
INTERCAMBIADOR CALOR AP 430/2 E

INTERCAMBIADOR CALOR AP 430/2 E

El intercambiador de calor AP 430/2 E es una unidad de refrigeracion aceite-aire diseñada para circuitos hidraulicos y sistemas de lubricacion industriales. Con un caudal de aceite de 30 a 180 L/min y capacidad de 5,5 litros, garantiza una disipacion termica eficiente en aplicaciones de media potencia. Equipado con electroventilador de 400 mm de diametro y flujo de aire de 2.700 m³/h, funciona a 230/400V con potencia de 110-180W. Peso de 24 kg. Recambio de electroventilador disponible. Ideal para maquinaria industrial con ciclos de trabajo intensivos.

INTERCAMBIADOR CALOR AP 494 EB

INTERCAMBIADOR CALOR AP 494 EB

Intercambiador de calor AP 494 EB diseñado para la refrigeración de aceite en circuitos hidráulicos y oleohidráulicos industriales. Con caudal de trabajo de 30 a 240 L/min y capacidad de 8 litros, incorpora electroventilador de 400 mm de diámetro con flujo de aire de 2.750 m³/h. Disponible en bifásico 230V y trifásico 400V a 50Hz. Potencia de 110W o 180W según configuración. Peso de 28 kg. Fabricación robusta para aplicaciones industriales exigentes. Amplio stock y asesoramiento técnico especializado.

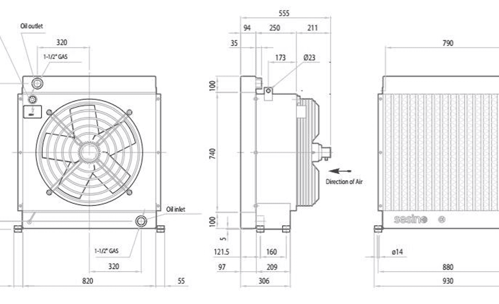
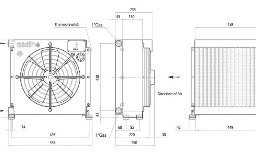
INTERCAMBIADOR CALOR AP 580 EB

INTERCAMBIADOR CALOR AP 580 EB

El intercambiador de calor AP 580 EB es una unidad de refrigeracion aceite-aire diseñada para circuitos hidraulicos y sistemas de lubricacion industrial. Equipado con electroventilador axial de alto rendimiento (3.500 m3/h), refrigera aceite en rangos de caudal de 100 a 250 L/min con una capacidad de 11,5 litros. Funciona a 230/400V 50Hz con potencia de 110-180W. Ideal para maquinaria industrial, prensas, maquinas-herramienta y sistemas de lubricacion. Dispone de recambio de electroventilador (ref. SES-1VNELCO43238DV2) para facil mantenimiento. Amplio stock y asesoramiento tecnico disponible.

INTERCAMBIADOR CALOR AP 680 EB

INTERCAMBIADOR CALOR AP 680 EB

Intercambiador de calor aceite-aire AP 680 EB diseñado para la refrigeracion de circuitos hidraulicos y sistemas de lubricacion industriales. Funciona con un caudal de aceite de 100 a 300 litros por minuto y cuenta con una capacidad de deposito de 15 litros. Equipado con electroventilador trifasico de 230/400V 50Hz, potencia de 690W y flujo de aire de 6.300 m³/h. Diametro de ventilador de 500 mm y peso de 62 kg. Dispone de recambio de electroventilador disponible para mantenimiento. Ideal para aplicaciones en maquinaria industrial, prensas, centrales oleohidraulicas y sistemas de lubricacion que requieren control termico eficiente. Amplio stock y asesoramiento tecnico especializado.

INTERCAMBIADOR CALOR AP 730 EB

INTERCAMBIADOR CALOR AP 730 EB

Intercambiador de calor aire-aceite AP 730 EB con electroventilador integrado, diseñado para la refrigeración de aceite hidráulico en circuitos industriales. Compatible con caudales de 100 a 300 L/min y capacidad de 15 litros. Equipado con motor eléctrico de 690W (230/400V 50Hz) y flujo de aire de 6.300 m³/h para máxima eficiencia térmica. Diámetro de 500 mm y peso de 62 kg. Ideal para sistemas oleohidraulicos en maquinaria industrial, prensas, inyectoras y equipos de fabricación. Disponibilidad inmediata y asesoramiento técnico especializado.

INTERCAMBIADOR CALOR AP 830 EB

INTERCAMBIADOR CALOR AP 830 EB

El intercambiador de calor AP 830 EB es un enfriador aceite-aire diseñado para la refrigeracion eficiente de circuitos hidraulicos industriales. Equipado con un potente electroventilador de 560mm y 810W de potencia, proporciona un flujo de aire de 9.500 m³/h para una disipacion termica optima. Funciona con un caudal de aceite entre 150 y 400 L/min, ideal para sistemas hidraulicos de media y alta potencia. Construido con materiales de alta resistencia, garantiza un rendimiento fiable en aplicaciones industriales exigentes. Disponibilidad inmediata y asesoramiento tecnico especializado.

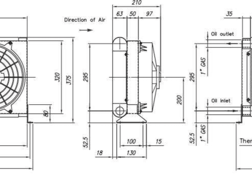
INTERCAMBIADOR CALOR APL 170 C/TERMOSTATO

INTERCAMBIADOR CALOR APL 170 C/TERMOSTATO

Intercambiador de calor aceite-aire con termostato integrado para refrigeración de circuitos hidráulicos y sistemas de lubricación industrial. Disponible en versiones de 12V y 24V, con caudal de aceite de 5 a 40 L/min y flujo de aire de 400 m3/h. Diámetro de 130 mm y capacidad de 0,5 litros. Ideal para mantener la temperatura óptima del fluido en maquinaria industrial, prensas y equipos móviles. Electroventilador de recambio disponible. Amplio stock y asesoramiento técnico personalizado.

INTERCAMBIADOR CALOR APL 2/463 C/TERMOSTATO

INTERCAMBIADOR CALOR APL 2/463 C/TERMOSTATO

Intercambiador de calor APL 2/463 con termostato integrado para circuitos oleohidraulicos. Diseñado para refrigerar aceite hidraulico en sistemas industriales con caudal de 30 a 240 L/min. Disponible en version 12V o 24V, con electroventilador radial de 310 mm y flujo de aire de 4.800 m3/h. Construido en aluminio con capacidad de 8 litros, ideal para maquinaria movil e instalaciones fijas. Amplio stock y asesoramiento tecnico personalizado.

INTERCAMBIADOR CALOR APL 2/494 C/TERMOSTATO

INTERCAMBIADOR CALOR APL 2/494 C/TERMOSTATO

Intercambiador de calor para aceite hidraulico con termostato integrado. Dispone de dos versiones: 12V y 24V, con potencia de 480W y caudal de aceite de 30 a 240 L/min. Flujo de aire de 5.600 m3/h y capacidad de 16 litros. Diametro de 380 mm y peso de 50 kg. Ideal para circuitos oleohidraulicos industriales, garantiza una refrigeracion eficiente con control automatico de temperatura. Amplio stock y asesoramiento tecnico disponible.

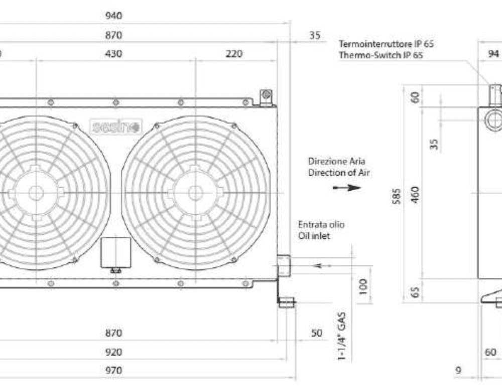
INTERCAMBIADOR CALOR APL 2/580 C/TERMOSTATO

INTERCAMBIADOR CALOR APL 2/580 C/TERMOSTATO

Intercambiador de calor aire-aceite APL 2/580 con termostato integrado para refrigeración de circuitos hidráulicos y sistemas de lubricación industrial. Diseñado para caudales de aceite de 30 a 350 L/min, incorpora electroventilador axial de 480W con flujo de aire de 5.800 m3/h. Disponible en versiones de 12V y 24V para adaptarse a diferentes instalaciones eléctricas. Construcción robusta con capacidad de intercambio de 23 litros y diámetro de 380 mm. Ideal para mantener la temperatura óptima del aceite en maquinaria industrial, prensas, máquinas herramienta y sistemas hidráulicos móviles. Amplio stock y asesoramiento técnico disponible.

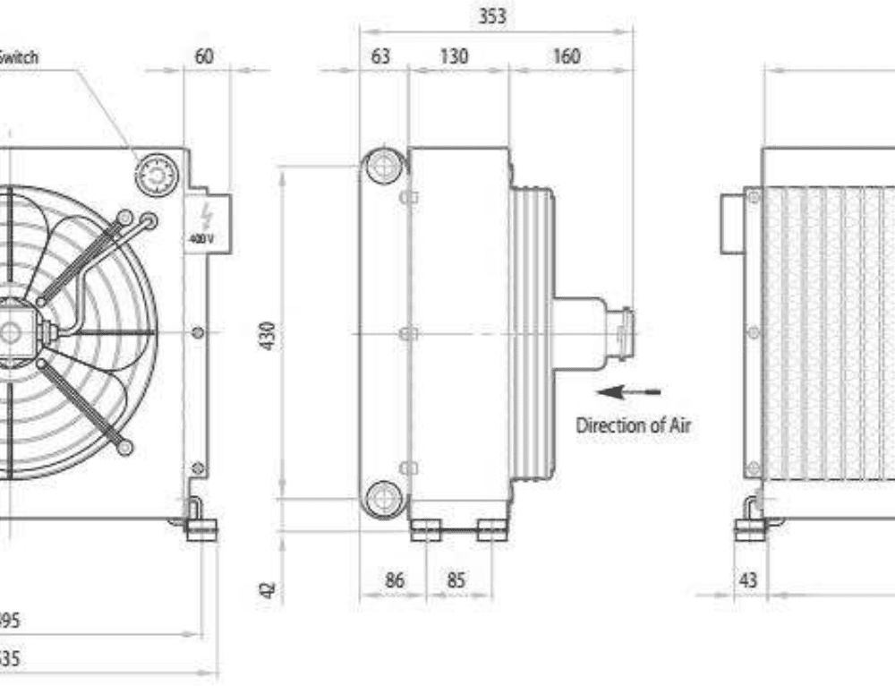
INTERCAMBIADOR CALOR APL 240 C/TERMOSTATO

INTERCAMBIADOR CALOR APL 240 C/TERMOSTATO

Intercambiador de calor aire-aceite APL 240 con termostato integrado para regulacion automatica de temperatura. Diseñado para circuitos hidraulicos y oleohidraulicos con caudal de aceite entre 10 y 80 L/min. Disponible en versiones de 12V y 24V con electroventilador de 65W y flujo de aire de 500 m3/h. Diametro de 190 mm y capacidad de 1 litro. Ideal para refrigeracion de aceite en maquinaria industrial, grupos hidraulicos y sistemas de transmision. Recambio de electroventilador disponible.

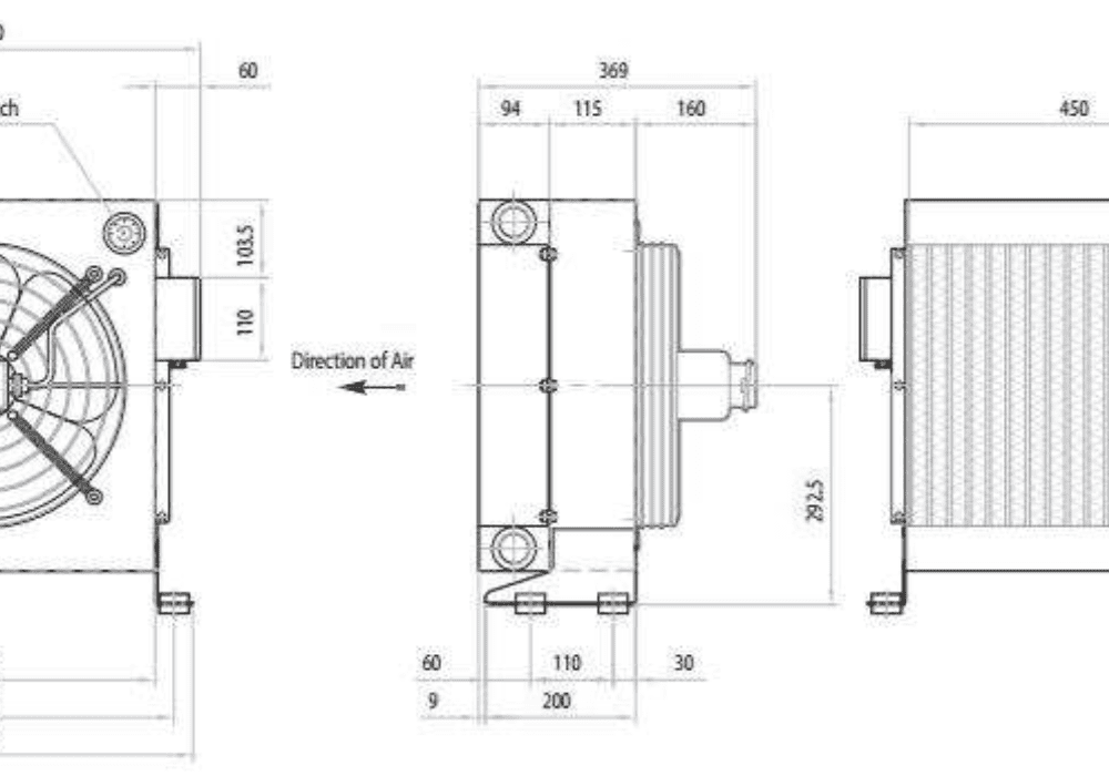
INTERCAMBIADOR CALOR APL 263 C/TERMOSTATO

INTERCAMBIADOR CALOR APL 263 C/TERMOSTATO

El intercambiador de calor APL 263 con termostato es un enfriador aceite-aire diseñado para la refrigeración de circuitos oleohidráulicos industriales. Equipado con electroventilador de 65W, ofrece un flujo de aire de 500 m3/h para una disipación térmica eficiente. Maneja caudales de aceite de 10 a 80 L/min y está disponible en versiones de 12V y 24V. Su diseño compacto con diámetro de 190 mm y capacidad de 1 litro lo hace ideal para maquinaria industrial, sistemas hidráulicos móviles y equipos de automatización. Amplio stock y asesoramiento técnico disponible.

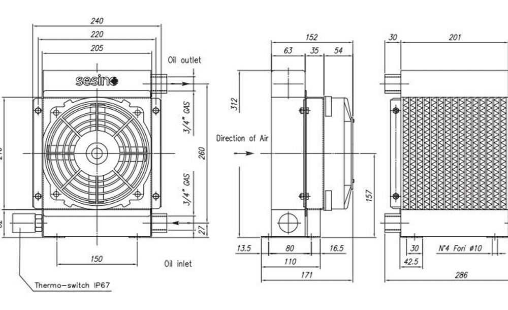
INTERCAMBIADOR CALOR APL 300 C/TERMOSTATO

INTERCAMBIADOR CALOR APL 300 C/TERMOSTATO

El intercambiador APL 300 es un refrigerador de aceite de tipo aire-aceite diseñado para la refrigeración de circuitos hidráulicos y oleohidráulicos. Equipado con termostato integrado, permite un control preciso de la temperatura del aceite. Funciona con un caudal de aceite de 20-150 L/min y está disponible en versiones de 12V y 24V, con una potencia de 190W y un flujo de aire de 1.700 m³/h. Su diseño compacto incluye electroventilador centrífugo y capacidad de 2 litros, siendo ideal para maquinaria móvil, equipos industriales y sistemas hidráulicos. En Cohimar garantizamos disponibilidad inmediata y asesoramiento técnico especializado.