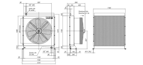
Descripción
| REFERENCIA | CAUDAL ACEITE | CAPACIDAD L | VOLTAGE V | FREQUENCIA HZ | POTENCIA W | CORRIENTE A | FLUJO AIRE | PESO KG | Ø mm | RECAMBIO ELECTROVENTILADOR |
|---|---|---|---|---|---|---|---|---|---|---|
| SES-3RAP1200EB | 200-550 | 35 | 400 | 50 | 2100 | 5,2 | 20.000 | 135 | 910 | SES-SES-1VNE08586.I |
El intercambiador de calor AP 1200 EB es un equipo de refrigeración para circuitos hidráulicos industriales, diseñado para enfriar aceite hidráulico en aplicaciones de alta potencia. Con un caudal de aceite de 200 a 550 litros por minuto, incorpora un electroventilador de 2100W que proporciona un flujo de aire de 20.000 m³/h para una disipación térmica eficiente. Funciona a 400V/50Hz con un consumo de 5,2A y tiene una capacidad de 35 litros. Su diámetro de 910 mm y peso de 135 kg lo hacen ideal para instalaciones fijas en maquinaria industrial. Amplio stock disponible y asesoramiento técnico personalizado.
| REFERENCIA | CAUDAL ACEITE | CAPACIDAD L | VOLTAGE V | FREQUENCIA HZ | POTENCIA W | CORRIENTE A | FLUJO AIRE | PESO KG | Ø mm | RECAMBIO ELECTROVENTILADOR |
|---|---|---|---|---|---|---|---|---|---|---|
| SES-3RAP1200EB | 200-550 | 35 | 400 | 50 | 2100 | 5,2 | 20.000 | 135 | 910 | SES-SES-1VNE08586.I |
Caudal aceite 200-550 L/min; Potencia electroventilador 2100W; Flujo aire 20.000 m³/h; Voltage 400V/50Hz; Capacidad 35L; Peso 135 kg; Ø 910 mm